


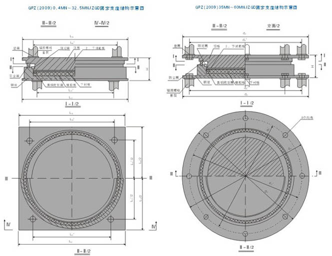
1.GPZ(2009)JZ減震型盆式支座的分類、性能;
1.1按使用性能分為:
a) 減震型單向活動支座。具有豎向承載、豎向轉動和單一方向滑移性能,代號為:JZDX。
b) 減震型固定支座。具有豎向承載和豎向轉動性能,代號為:JZGD。
1.2按使用溫度范圍分為:
a) 常溫型支座。適用于-25度至+60度。
b) 耐寒型支座。適用于-40度至+60度。
1.3支座性能:
a) 豎向承載力:支座豎向承載力分為33級,0.4MN-60MN。在豎向設計承載力作用下,支座壓縮變形不大于支座總高度的2%,鋼盆盆環上口徑變形不大于盆環外徑的0.05%。
b) 水平承載力:固定支座和單向活動支座非滑移方向的水平承載力均不少于支座豎向承載力的20%。
c) 轉角:支座豎向轉動角度不少于0.02rad。
d) 位移:單向活動支座順橋向位移量分為5級;±50mm,±100mm,±150mm,±200mm,±250mm,當有特殊要求時,可按實際需要調整位移量。
2.GPZ(2009)JZ減震型盆式支座型號表示方法:

3.GPZ(2009)JZ減震型盆式支座規格系列:

